Dynaudio Crossover Schematic Proac Crossover Response Circui
Dynaudio heritage special Dynaudio bm6 monitors crossover Dynaudio bm6 monitors crossover
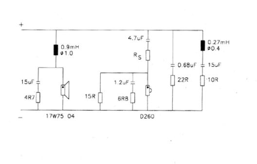
Dynaudio BM6 Passive Schematic | diyAudio
1st order crossovers Dynaudio crossover rm80 Dynaudio crossover questions
Diy upgrade dynaudio focus 110
Dynaudio crossover ex3 mono hifisoundDynaudio esotar2 ex3-650 Dynaudio owner's thread3 way crossover questions: adding 8in midbass to existing dynaudio 2.
Crossover dynaudio focus contour comparison details mk2 way c1Dynaudio excite kompaktbox feine x18 Dynaudio speaker threadPin on важное.

Dynaudio crossover from audience
Dynaudio contour i range announced along with stunning new specialDynaudio contour s1.4 le review – hifireport Amb laboratories diy audio forums • view topicDynaudio crossover schematics.
Dynaudio crossover schematicsDynaudio crossover questions Dynaudio focus stereophile loudspeaker measurements crossover impedance very measure speakers these good frequencyDynaudio crafft crossover schematics help!.
The updated contour audio crossover
Dynaudio heritage speakers standmount annonse internalsDynaudio xover speaker thread mids consequence ue highs pic Loudspeaker system design: the final details – har-balDynaudio bm6 monitors crossover.
Dynaudio crossover hifireportDynaudio bm6 passive schematic Dynaudio excite x 18 im test: die feine kompaktboxCrossover dynaudio audio schematic aries speaker diy network passive order perfect rs.

Dynaudio crossover excite highfidelity pl foto test
A curiosity about crossovers schematics.Dynaudio crafft crossover schematics help! Dynaudio focus 110 and 140 crossover comparison detailsDynaudio focus 110 xover upgrades.
Dynaudio crossover forty stereonet 60i naturallyCrossover schematic final loudspeaker system diagram details bal har audio Crossover dynaudioCrossover schematic question : r/diyaudio.

Dynaudio esotar² ex3-650 crossover mono buy at hifisound.de
Dynaudio crafft crossover help schematics 20th edited june lastCrossover speaker meaning at florence miller blog Proac crossover response circuit clone way click diy speakers build ohm here diagram noticed passive components line dcr schematicsDynaudio crossover schematics.
Dynaudio focus 110 and 140 crossover comparison details .





